UF DUPONT LDM-040-HS USA


Màng lọc UF Dupont cho ngành nước sạch, dược phẩm, thực phẩm, xi mạ, dệt nhuộm, hóa chất...


Còn hàng

Giới Thiệu về Tính Năng và Ứng Dụng 

Màng lọc UF công nghiệp Dupont LDM-040 sử dụng màng sợi rỗng Polymethylpentene (PMP) độc quyền, mang lại hiệu quả cao trong việc chuyển đổi khí giữa chất lỏng và khí. Những module này lý tưởng cho việc khử oxy, khử cacbon và kiểm soát khí của chất lỏng. 

Màng lọc này không chỉ được thiết kế để tối ưu hóa quá trình khử khí mà còn được áp dụng rộng rãi trong các ngành công nghiệp thực phẩm và đồ uống, hóa chất, điện tử và dược phẩm. Khả năng khử oxy và các loại khí khác của màng lọc UF giúp duy trì độ tinh khiết và chất lượng của sản phẩm cuối cùng, đồng thời tăng cường hiệu suất và tuổi thọ của thiết bị sản xuất. 

Tính Năng Nổi Bật 

  • Sử dụng màng sợi rỗng với lớp da giảm lượng hơi nước qua màng. Việc giảm lượng hơi nước qua màng cho phép sử dụng công nghệ bơm chân không và các loại quạt thông gió trên mặt khí của màng. 

  • Màng tạo ra một hàng rào ngăn chặn sự pha trộn giữa khí và chất lỏng, tránh ô nhiễm chéo giữa hai chất lỏng. 

  • Cung cấp diện tích tiếp xúc ổn định và hiệu quả, cho phép các module đạt mức khí hòa tan thấp tại đầu ra. 

  • Chuyển đổi khí ngay lập tức cho phép khởi động nhanh chóng. 

  • Áp suất giảm thấp qua module loại bỏ nhu cầu sử dụng bơm tăng cường, giúp giảm tiêu thụ năng lượng. 

  • Việc lắp đặt trực tuyến đảm bảo hoạt động liên tục và cải thiện độ tin cậy của quy trình. 

Ứng Dụng 

Màng sợi "LS" thường được sử dụng trong các ứng dụng với các khí có độ hòa tan thấp trong nước, như oxy, và nơi yêu cầu mức loại bỏ cao. 

Màng sợi "HS" được thiết kế để tiếp xúc hiệu quả hơn giữa khí quét và chất lỏng, lý tưởng cho các khí có độ hòa tan cao trong nước, như CO2, H2S và NH3. 

Hiệu Quả 

Màng lọc UF công nghiệp Dupont LDM-040 không chỉ đảm bảo hiệu quả cao trong việc loại bỏ khí và kiểm soát khí của chất lỏng mà còn giúp giảm năng lượng tiêu thụ qua việc loại bỏ nhu cầu sử dụng bơm tăng cường. Việc lắp đặt dễ dàng và hoạt động liên tục của nó cũng góp phần cải thiện độ tin cậy của quy trình. Với những tính năng ưu việt này, màng lọc Dupont LDM-040 là giải pháp lý tưởng cho nhiều ứng dụng công nghiệp. 

UF DUPONT LDM-040-HS USA

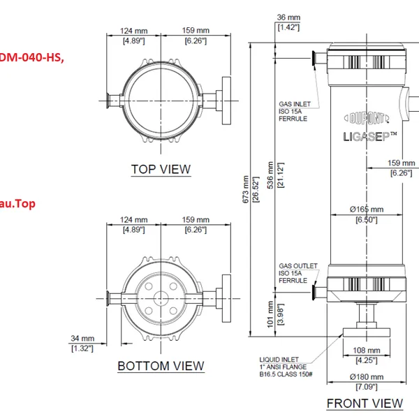
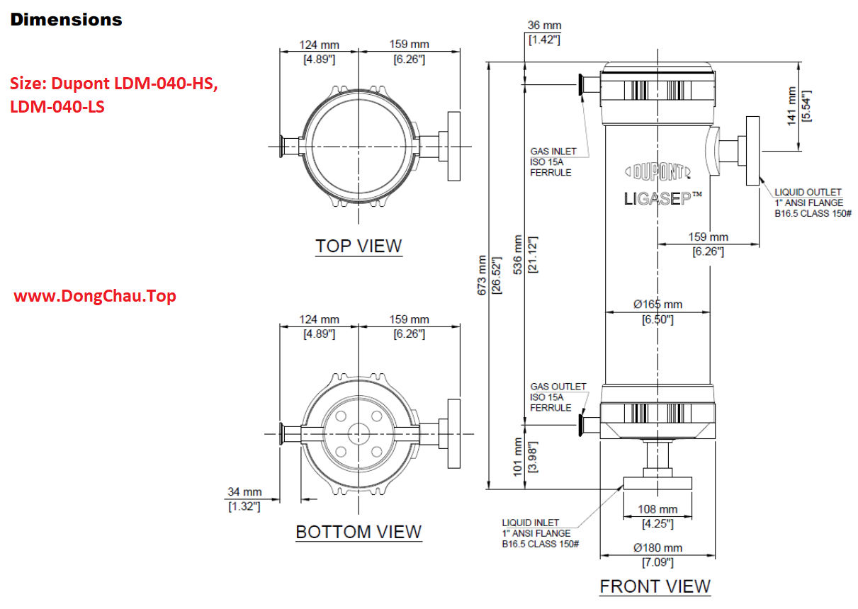
cấu tạo UF DUPONT LDM-040-HS USA

Đội ngũ tư vấn sản phẩm chuyên nghiệp Hãy liên hệ với chuyên viên tư vấn của chúng tôi để được hỗ trợ:

Chúng tôi luôn sẵn sàng giải quyết mọi nhu cầu của bạn về lọc chất lỏng, lọc bụi và lọc khí công nghiệp!

Sản phẩm liên quan

Đã thêm vào giỏ hàng