Bình inox lọc cặn trong sản xuất 15 lõi 40 inch


Bình inox lọc cặn trong sản xuất với 15 lõi 40 inch là thiết bị chuyên dụng giúp loại bỏ các tạp chất và cặn bẩn trong quy trình sản xuất công nghiệp. Được chế tạo từ inox chất lượng cao, bình lọc không chỉ đảm bảo độ bền vượt trội mà còn giúp chống ăn mòn, duy trì hiệu suất hoạt động ổn định trong thời gian dài.


Còn hàng

Mô Tả 

Bình lọc nhiều lõi bằng thép không gỉ được sản xuất từ chất lượng cao SS304 hoặc SS316L và tay nghề tinh xảo. Bình lọc nhiều lõi bằng thép không gỉ có thể chứa các kiểu nắp đầu khác nhau của lõi lọc dưới dạng DOE hoặc SOE, cung cấp các giải pháp lọc kinh tế và hiệu quả. Bình lọc nhiều lõi bằng thép không gỉ phù hợp cho nhiều ứng dụng lọc khác nhau đòi hỏi nhiệt độ cao và áp suất hoạt động cao. Các phần tử lọc được lắp đặt bên trong bình lọc nhiều lõi SS có thể thay thế nhanh chóng và dễ dàng trong khi vẫn đảm bảo hiệu suất làm kín tốt. Bình lọc lõi SS được sử dụng rộng rãi cho nhiều hệ thống lọc vi mô công nghiệp và thương mại. 

Thiết kế đặc biệt ca bình lọc nhiều lõi bằng thép không gỉ cho phép sử dụng các loại lõi lọc khác nhau, từ những dạng tiêu chuẩn đến các loại chuyên biệt cho từng ứng dụng cụ thể. Bên cạnh đó, bình lọc này còn có khả năng chịu được các điều kiện môi trường khắc nghiệt, đảm bảo hiệu quả lọc tối ưu và độ bền cao trong suốt quá trình sử dụng. 

Thông Số Kỹ Thuật 

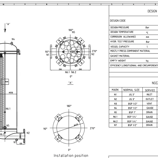
  • Chất liệu: SS304, SS316L 

  • Xử Lý Bề Mặt: Đánh bóng, Đánh bóng phụ, Phun cát 

  • Chiều Dài Lõi: 40" 

  • Kích Thước Lõi: Đường kính ngoài (OD) 2.5" 

  • Số Lượng Lõi: Nhiều phần tử lọc 

  • Kết Nối: Ren, Mặt bích 

  • Đầu Vào/Đầu Ra: 1", 1.5", 2", 4" v.v. 

  • Loại Niêm Phong: Bu lông xoay, Kẹp 

  • Chất Liệu Niêm Phong: EPDM, Silicon, Viton 

  • Nắp Đầu Lõi: DOE, SOE 

Đặc Điểm 

  • Bình lọc thép không gỉ dễ lắp đặt, bảo trì và vệ sinh, thuận tiện và hiệu quả cho việc thay thế lõi lọc. 

  • Bình lọc nhiều lõi SS phù hợp làm việc dưới áp suất cao và không rò rỉ chất lỏng, an toàn và đáng tin cậy với tuổi thọ lâu dài. 

  • Bình lọc nhiều lõi SS được làm bằng thép không gỉ chất lượng cao, bề mặt được xử lý bằng đánh bóng điện hoặc mờ. 

  • Bình lọc nhiều lõi SS có diện tích lọc lớn, lưu lượng cao và tỷ lệ tắc nghẽn thấp, khả năng kháng axit và kiềm mạnh mẽ. 

Ứng Dụng 

  • Lọc trước RO 

  • Thực phẩm & Đồ uống 

  • Y tế và Hóa chất 

  • Công nghiệp hóa dầu 

  • Lọc nước gia đình 

  • Xử lý nước thải công nghiệp 

Hiệu Suất 

Dữ Liệu Hoạt Động Cho Bình Lọc Nhiều Lõi Bằng Thép Không Gỉ 

  • Nhiệt Độ Tối Đa: 130℃ 

  • Áp Suất Tối Đa: 10 Bar (150 psi) hoặc theo yêu cầu 

  • Áp Suất Khuyến Nghị: ≤ 8 Bar (115 psi) tại 25℃ 

Thông Số Sản Xuất Bình Lọc Nhiều Lõi Bằng Thép Không Gỉ 

  • Chấp nhận đầy đủ các loại lõi lọc với nắp đầu 222/226/DOE 

  • Thiết kế cấp thực phẩm, không có góc vệ sinh chết, có thể tháo rời hoàn toàn và vệ sinh sạch sẽ 

  • Chúng tôi cung cấp lên đến 50 vỏ lõi cho tất cả các ứng dụng công nghiệp với thiết kế lò xo độc đáo 

  • Nắp đậy dễ sử dụng và tiện lợi, thiết kế mở nhanh, đáp ứng các yêu cầu ứng dụng nghiêm ngặt 

  • Phù hợp cho các nhà máy RO, nhà máy xử lý nước, tái chế nước thải, hóa dầu, các dung dịch mạ với lọc nước tiền xử lý cao. 

Hỗ Trợ Kỹ Thuật 

Hướng Dẫn Cách Lắp Đặt Bình Lọc Nhiều Lõi Bằng Thép Không Gỉ 

Lắp đặt bình lọc nhiều lõi bằng thép không gỉ thường bao gồm một số bước để đảm bảo thiết lập chính xác và chức năng. Dưới đây là hướng dẫn chung về cách lắp đặt bình lọc nhiều lõi SS: 

Chuẩn Bị Khu Vực Lắp Đặt: 

  • Chọn vị trí phù hợp cho bình lọc, đảm bảo dễ dàng tiếp cận để bảo trì và thay thế lõi lọc. 

  • Đảm bảo khu vực lắp đặt sạch sẽ, khô ráo và không có vật cản. 

Kết Nối Đường Ống Đầu Vào Và Đầu Ra: 

  • Xác định các cổng đầu vào và đầu ra trên bình lọc. 

  • Kết nối ống đầu vào với cổng đầu vào của bình lọc và ống đầu ra với cổng đầu ra bằng cách sử dụng các phụ kiện và đầu nối phù hợp. 

  • Đảm bảo tất cả các kết nối đều chặt chẽ và không bị rò rỉ. 

Lắp Đặt Lõi Lọc: 

  • Mở bình lọc bằng cách nới lỏng cơ chế đóng, chẳng hạn như bu lông xoay hoặc kẹp. 

  • Chèn các lõi lọc vào bình lọc theo hướng dẫn của nhà sản xuất, đảm bảo chúng được đặt và căn chỉnh đúng cách. 

  • Nếu bình lọc có nhiều tầng lõi, hãy lắp lõi lọc trong mỗi tầng theo thứ tự đã định. 

Đóng Và Niêm Phong Bình Lọc: 

  • Sau khi lắp đặt lõi lọc, đóng bình lọc bằng cách siết chặt cơ chế đóng. 

  • Đảm bảo rằng bình lọc được niêm phong đúng cách để ngăn chặn hiện tượng bỏ qua và duy trì tính toàn vẹn của quá trình lọc. 

Kiểm Tra Rò Rỉ: 

  • Trước khi vận hành bình lọc, kiểm tra cẩn thận tất cả các kết nối và con dấu để phát hiện rò rỉ. 

  • Siết chặt bất kỳ phụ kiện hoặc kết nối nào nếu cần để loại bỏ rò rỉ. 

Giải Phóng Áp Suất: 

  • Nếu hệ thống hoạt động dưới áp suất, hãy giải phóng bất kỳ áp suất nào bị kẹt trong hệ thống trước khi bắt đầu quá trình lọc. 

  • Tuân thủ các thủ tục an toàn thích hợp khi giải phóng áp suất để tránh thương tích. 

Bắt Đầu Quá Trình Lọc: 

  • Sau khi hoàn thành lắp đặt và giải phóng áp suất, bắt đầu quá trình lọc bằng cách mở các van đầu vào và đầu ra. 

  • Giám sát hệ thống để phát hiện bất kỳ áp suất bất thường hoặc rò rỉ nào trong quá trình vận hành. 

Bình inox lọc cặn trong sản xuất 15 lõi 40 inch

bên trong Bình inox lọc cặn trong sản xuất 15 lõi 40 inch

bản vẽ Bình inox lọc cặn trong sản xuất 15 lõi 40 inch

Đội ngũ tư vấn sản phẩm chuyên nghiệp Hãy liên hệ với chuyên viên tư vấn của chúng tôi để được hỗ trợ:

Chúng tôi luôn sẵn sàng giải quyết mọi nhu cầu của bạn về lọc chất lỏng, lọc bụi và lọc khí công nghiệp!

Sản phẩm liên quan

Đã thêm vào giỏ hàng